编辑:西安西驰电气(产品说明书)
日期:2020-05-07 访问:4568
引言
低压辅机系统(如盘车电机、润滑油泵、液压油泵等)是风机机组重要的辅助系统,其运行的好坏直接关系到风机机组性能。
电动机软启动装置是一种具有的电动机启动装置,该装置融合了的现代控制理论和专用电动机保护技术及先进的软件技术,既能改变电动机的启动特性,保证电动机可靠启动,又能降低启动电流,减少对电网的冲击,并且可以和网络进行通讯,实现智能控制。无论从功能、性能、负载适应能力、维护及可靠性等方面都是传统的启动设备(如:星/三角、自耦变压器、磁控式启动装置)无法比拟的。所以,这种智能型启动装置取代上述传统的启动装置将是一种必然趋势。
1、电动机软启动装置组成
电动机软启动装置采用单片机进行逻辑控制。如图1所示,一般由电压检测、电流检测、旁路接触器、驱动电路、控制系统和键盘显示器等组成。

2、电动机软启动装置选择
电动机软启动装置的选择主要取决于它的启动方式和停车方式。
电动机软启动装置一般有以下几种启动模式:
限电流启动模式就是限制电机的启动电流,主要用于轻载启动和对电机启动电流有严格要求的场合。电压斜坡启动模式就是把电机电压由小到大斜坡线性增加,主要用于重载启动和对启动电流要求不严格而启动平稳性较高的场合。突跳启动模式就是在电机启动时,先给电机施加一个较高的固定电压并持续一段时间,以克服静阻力距,主要用于重载启动,但是突跳时会给电网造成冲击。转矩控制启动模式就是把电机的启动转矩由小到大斜坡线性增加,主要适用于重载启动。电压控制启动模式就是保证启动电压压降不变的情况下,使电机发挥出启动力矩,主要用于轻载启动。
电动机软启动装置一般有减速停车模式、自由停车模式和制动停车模式。减速停车适用于泵类,可以有效减小压力波动。制动停车适用于高惯性的场合。
3、电动机软启动装置特点
电动机软启动装置较传统启动装置有以下好处:
在电网方面的好处如图2所示。它避免产生较大电压降以减小对电网冲击;有效控制启动电流:消除尖峰电流;接线方便等。

在机械方面的好处如图3所示:减小齿轮箱、传送带、轴承等传动装置上的应力;减少水冲击(水锤)效应;降低维护成本;缩短停工时间等。

电动机软启动装置在其他方面的好处:可以根据负载情况选择不同的启动方式及参数设置,达到使电动机实现启动效果;采用高性能微处理器及强大的控制软件;高可靠性;体积小.便于安装;对电动机的启动和运行具有多种保护功能。如过流、过负荷、缺相、过热等保护;便捷直观的操作显示键盘,可根据不同负载方便的对启/停参数进行设置或修改;可以与计算机网络进行通信;软启动装置的实际输出功率可根据负载进行设定等。
4、电动机软启动装置与其他传统启动装置的比较
下面把电动机软启动装置与磁控降压启动装置、自耦变压器降压启动装置进行简单比较。启动特性:前者为软特性,根据用户要求可以调整。而后者为硬特性,不能根据用户要求进行调整。启动电流特性:前者启动电流根据用户要求可以调整。而后者启动电流不能根据用户要求进行调整。起始电压:前者初始电压可在0~3踟V范围内调整。而后者初始电压不能根据甩户要求进行调整。冲击电流:前者对电网几乎没有冲击。而后者约为电机额定电流的4~7倍,对电网冲击较大。电机转矩特性:电动机软启动装置没有冲击转矩,力矩匀速平滑上升;磁控降压启动装置常规在1次冲击转矩后,力矩匀速平滑上升;自耦变压器降压启动装置力矩跳跃上升,常规有2次冲击转矩。启动方式:电动机软启动装置启动模式有5种,图4和图5为的限流启动和电压斜坡启动;磁控降压启动装置区域恒流软启动;自耦变压器降压启动装置分段式恒压启动。重量/体积:电动机软启动装置轻而小;磁控降压启动装置较重/较大;白耦变压器降压启动装置重而较小。控制元件和控制方式:电动机软启动装置采用高性能单片逻辑控制;磁控降压启动装置采用继电器及电子元件继电电子控制;自耦变压器降压启动装置采用继电器继电控制。

5、电动机软启动装置在风机辅机系统中的应用
电动机软启动装置是采用电力电子、微处理器及现代控制理论等先进技术设计制造的高技术产品,它从根本上改变了传统降压启动设备在电动机启动时产生的电压、电流突变而带来的不良后果(如启动时母线电压过低、电机启动电流过大等因素,影响母线上其他用电设备的正常工作)。因此,公司在对电动机软启动装置的选择上也有不同的要求,如盘车电机。盘车电机的主要作用就是在机组开机前,先用盘车电机把风机主轴拖动起来(转速很小),使它在主轴上形成一层油粘膜,减少机组的静阻力矩,便于机组启动。原先都是采用直接启动方式,由于直接启动会对与主轴相联的齿轮造成冲击,甚至损坏。同时叉要考虑到盘车电机启动瞬间需要克服很大的静阻力矩,故现在采用了突跳启动控制模式的电动机软启动装置,效果非常好。又如润滑油泵和液压油泵等设备,由于正常情况下是两台油泵(一主一备,互为备用),如果在油压低的情况下,备用泵要在晟短的时间内完成启动,建立油压,但又必须考虑到电网的要求,故选用了电压控制启动模式的电动机软启动装置。
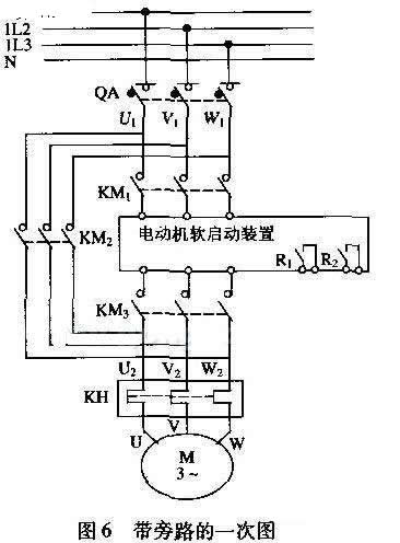
电动机软启动装置常规有两种接线方式,一种是带旁路,另一种是不带旁路,如图6和图7所示。带旁路回路的接线方式,在电动机启动结束后,可以通过旁路回路把软启动装置旁路掉,使其不带电,便于维护、检修。因此,我公司在软启动设计时选用第一种接线方式。

下面结合盘车电机(功率为15 kW,电压380V AC,额定电流32 A)简单叙述一下工作原理:配置了三相断路器、运行接触器、旁路接触器、热继电器,并且设计控制按钮、停/运指示灯等。见图6。

电动机启动时,首先把三相断路器QA、运行接触器KMl、KMl闭合;再接通软启动装置,软启动装置检查内部元器件,内部继电器R.输出允许启动信号给控制回路;软启动装置带电进行启动,当电机转速达到额定转速时,内部继电器R:输出启动结束指令给旁路接触器KM2,KM,闭合使软启动装置离线,启动结束。
西安西驰电气(产品说明书) |
|||||||||||||||||||||
|
|||||||||||||||||||||
|
||||||||||||||