编辑:浙江开高阀门(保温阀门系列)
日期:2019-05-20 访问:36930
钢制夹套法兰
B.1 范围
B.1.1 本附录规定了钢制夹套法兰(PN系列)的公称尺寸、公称压力、法兰类型、尺寸、公差以及技术要求。
B.1.2 本附录适用于公称压力等级PN16、PN25、PN40的全夹套管道连接用法兰。
B.1.3 本附录也适用于采用夹套管法兰作为连接形式的阀门、泵、化工机械、管路附件和设备零部件。
B.2 公称尺寸和钢管外径
本附录适用的钢管外径包括A、B两个系列,钢管外径按本标准表1.0.3的规定。夹套管的外管和内管公称尺寸配合按表B.2的规定。

B.3 法兰类型
B3.1. 本附录规定的夹套法兰连接型式有板式平焊夹套法兰、带颈平焊夹套法兰和带颈对焊夹套法兰,如图B.3.1所示。法兰类型代号按表B.3.1的规定。


B.4 材料
夹套法兰用材料按本标准第4章的规定。
B.5 压力额定值
夹套法兰的压力额定值应按内管公称压力确定,且应符合本标准第7章的规定,大于或等于内管设计条件下的最大允许工作压力。
B.6 尺寸
B.6.1 夹套法兰密封面尺寸。
1 突面、凹面/凸面和榫面/槽面法兰的密封面尺寸按图B.6.1和表B.6.1的规定。
2 突面、凹面/凸面和榫面/槽面法兰的密封面尺寸f1、f2包括在法兰厚度C内(如图B.6.1所示)。
3 夹套法兰配用垫片的压力等级按内管公称压力确定,垫片尺寸按对应的外管公称尺寸确定。
B.6.2 夹套法兰连接尺寸和结构尺寸。
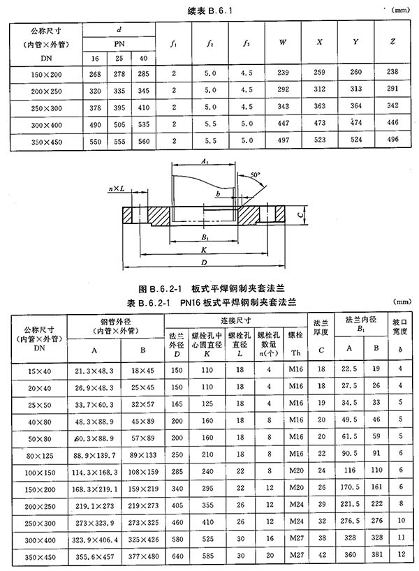
1 PN16板式平焊钢制夹套法兰的连接尺寸和结构尺寸按图B.6.2-1和表B.6.2-1的规定。
2 PN16和PN25带颈平焊钢制夹套法兰的连接尺寸和结构尺寸按图B.6.2-2和表B.6.2-2、表B.6.2-3的规定
3 PN16、PN25和PN40带颈对焊钢制夹套法兰的连接尺寸和结构尺寸按图B.6.2-3和B.6.2-4∽表B.6.2-6的规定。

图B.6.1 夹套法兰密封面尺寸
【突面(RF)、凹面(FM)/凸面(M),榫面(T)/槽面(G)】
表B.6.1 夹套法兰密封面尺寸
【突面(RF)、凹面(FM)/凸面(M),榫面(T)/槽面(G)】





B.7 焊接接头和坡口尺寸
B.7.1 内管与夹套法兰的焊接接头和坡口尺寸按本标准第9章的规定。
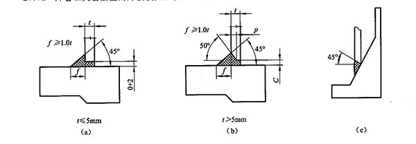
B.7.2 外管和夹套法兰的焊接接头和坡口尺寸按图B.7.2的规定。

图B.7.2 外管与夹套法兰的焊缝尺寸
B.8 试验、检验、验收和包装
法兰的试验、检验和验收以及包装等要求按本标准第11章、第12章及第14章的规定。
B.9 标记
B.9.1 夹套法兰的标记按本标准第13章的规定。其中法兰的公称尺寸DN为内管×外管。
B.9.2 标记示例
示例1:公称尺寸DN300×400、公称压力PN16,配用公制管的突面板式平焊钢制夹套法兰,材料为Q235A,其标记为:
HG/T 20592 夹套法兰 JPL 300×400(B)-16 RF Q235A
配用的垫片规格为公称压力PN16,公称尺寸DN400
示例2:公称尺寸DN300×400、公称压力PN25,配用英制管的凸面带颈平焊钢制夹套法兰,材料为20钢,其标记为:
HG/T 20592 夹套法兰 JSO 300×400-25 M 20
配用的垫片规格为公称压力PN25,公称尺寸DN400
浙江开高阀门(保温阀门系列) |
|||||||||||||||||||||
|
|||||||||||||||||||||
|
||||||||||||||