编辑:军康流体科技有限公司
日期:2021-05-27 访问:2519
军康电动套筒调节阀

电动套筒调节阀
一、电动套筒调节阀 概述
电动套筒调节阀是一种压力平衡型调节阀,采用套筒导向,压力平衡型双密封面阀芯机构,配用多弹簧气动执行机构或电动执行机构。流道呈S流线性,整体具有工作平衡、允许压差大、流量特性精确、噪音低等特点。特别适用于流量大,阀前后压差较大、泄露要求不搞的场合。本系列产品有常温型、高温型、低温型、调节切断型、波纹管密封型等多种形式。产品公称压力等级有PN1.6、4.0、6.4、10.0;阀体口径范围DN20-300,适用流体温度-196-+560℃范围内多种档次。泄露等级有Ⅳ级、Ⅴ级、Ⅵ级。流量特性有直线、等百分比特性。多种品种规格可供选
二、电动套筒调节阀 主要零件材料及结构图

三、电动套筒调节阀 主要技术参
四、电动套筒调节阀 电动执行机构
1、电动执行机构主要性能参数

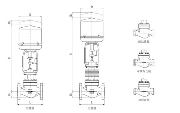
五、电动套筒调节阀 主要外型尺寸


军康流体科技有限公司
经营范围:气动调节阀、电动调节阀、自力式压力调节阀、自力式电控温度调节阀、气动球阀、气动蝶阀、气动闸阀、气动截止阀、电动球阀、电动蝶阀、电动闸阀、电动截止阀等自控阀门系列产品
联系地址:浙江温州市永嘉县瓯北镇东瓯工业区
联系电话:0577-67361555
联系手机:13868611508
传真:0577-67370155
公司官网:www.yjtjf.com
邮箱:1103600988@qq.com
军康流体科技有限公司 |
|||||||||||||||||||||
|
|||||||||||||||||||||
|
||||||||||||||