编辑:浙江良达阀门有限公司
日期:2020-11-15 访问:1898
良达GJ841X管夹阀

特点 Characteristics
1、无压力损失、无堵塞、无泄露、防水撞冲击。
2、特别适用于含颗粒的液——固及气——固二相流。
3、橡胶管套带有纤维增强结构,耐磨、抗疲劳。
适用介质:水、泥浆、矿渣、腐蚀性等
阀体材质:铝合金(其他材质也可订做)
内衬材料:天然橡胶、三元乙丙胶、硅胶等也可定做
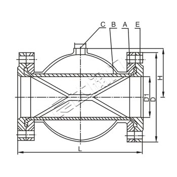
A、阀体body
B、橡胶管套 rubber tube sleeve
C、控制流体(水或气)入口
control fluid (water or air) entrance
E、连接法兰linkup flange
手动/自动控制:外加三通手动阀或三通电磁阀控制压缩空气或压力水进入阀体


浙江良达阀门有限公司 |
|||||||||||||||||||||
|
|||||||||||||||||||||
|
||||||||||||||