编辑:太平洋泵业集团有限公司
日期:2020-07-26 访问:3739

一、ISG型立式管道离心泵产品简介
ISG离心管道泵是采用单级单吸立式离心泵,它是在IS的基础上进行改造的,变成结构紧凑的泵,他没有像IS离心泵那样的有联轴器,是泵的叶轮直接连接在电机的轴上,电机也可以换成防爆电机,可以用于输送油等物质,材质铸铁也可以该换成不锈钢材质,以用于输送腐蚀性液体,如果把材质换成不锈钢,电机换成防爆电机,那样就可以输送易燃易爆的物质。在一般立式泵的基础上进行巧妙组合设计制造,同时根据适用温度、介质的不同在ISG型立式管道泵的基础上派生出热水管道泵、高温管道泵、腐蚀性化工泵、油泵等系列产品,ISG管道泵具有高效节能、嗓音低、性能可靠等优点。
二、ISG型立式管道离心泵特点
1、泵为立式结构,进出口口径相同、且位于同一中心线上,可像阀门一样安装于管路之中,设有安装底脚,增加泵的稳定性,外形紧凑美观,占地面积小,建筑投入低。
2、ISG管道泵叶轮直接安装在电机的加长轴上,轴向尺寸短,结构紧凑,泵与电机轴承配置合理,能有效地平衡泵运转产生的径向和轴向负荷,从而保证了泵的运行平稳,震动噪音低。
3、轴封采用机械密封或机械密封组合,采用进口钛合金密封环、中型耐高温机械密封和采用硬质合金材质,耐磨密封,能有效地增长机械密封的使用寿命。
4、ISG管道泵安装检修方便,无需拆动管路系统,只需卸下泵联体螺母即可抽出全部转子部件。
5、可根据使用要求即流量和扬程的需要采用泵的串、并联运行方式。
6、可根据管路布置的要求采用泵的竖式和横式安装。

三、ISG型立式管道离心泵主要用途
1、ISG离心管道泵,供输送清水及物理化学性质类似于清水的其他液体之用,适用于工业和城市给排水,高层建筑增压送水,园林灌溉,消防增压及设备配套,适用温度T:≤80℃。
2、IRG(GRG)型热水(高温)循环泵广泛适用于能源、冶金、化工、纺织、造纸、以及宾馆饭店等锅炉高温热水增压循环输送及城市采暖系统循环用泵,IRG适用温度T:≤120℃、GRG适用温度T:≤240℃。
3、IHG型管道化工泵,供输送不含固体颗粒,具有腐蚀性,粘度类似于水的液体,适用于石油、化工、冶金、电力、造纸、食品、 制药和合成纤维等部门,适用温度T:-20℃-120℃。
4、YG型管道油泵,供输送汽油、柴油、煤油等石油产品,适用温度T:-20℃-120℃。

四、ISG型立式管道离心泵的工作条件
1 吸入压力≤1.0MPa,或泵系统最高工作压力≤1.6MPa,即泵吸入口压力+泵扬程≤1.6MPa,泵静压试验压力为2.5MPa。订货时请注明系统工作压力,泵系统工作压力大于1.6MPa时应在订货时另行提出,以便在制造时泵的过流部件和联接部分采用铸钢材料。
2 环境温度<40℃,相对湿度<95% 。
3 所输送介质中固体颗粒体积含量不超过单位体积的0.1% ,粒度<0.2mm 。
注:如使用介质为带有细小颗粒,请在订货时说明,以便厂家采用耐磨式机械密封。
五、ISG型立式管道离心泵型号及意义

六、ISG型立式管道离心泵主要性能参数(380V 2900转速)

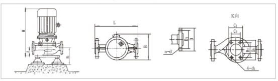
五、ISG型立式管道离心泵结构说明





ISG系列立式管道离心泵(安装方式示意图)

太平洋泵业集团有限公司 |
|||||||||||||||||||||
|
|||||||||||||||||||||
|
||||||||||||||