编辑:西安西驰电气(产品说明书)
日期:2020-05-07 访问:3197

CMC-SX系列汉显智能型软起动器是一款基于32位ARM核微控制器开发的电机软起动器,是一种新型智能化的异步电动机起动装置。它是集起动、显示、保护、数据采集于一体的电机终端控制设备。用户使用较少的元件,就可实现较复杂的控制功能。而中英文界面显示又使得操作更趋简便。
CMC-SX系列软起动器型号的含义:

CMC-SX系列汉显智能型软起动器特点:
1、多种起动方式:限流软起动、电压指数曲线、电压线性曲线、电流指数曲线、电流线性曲线,并可在每种方式下施加可编程突跳起动转矩及起动电流限制。根据不同的负载,可以选择相应的起动曲线,达到良好的起动效果。基础算法使得电机起动、停止更加准确、平滑。
2、先进的通讯功能:配有RS485通讯接口,方便用户网络连接控制,提高系统的自动化水平及可靠性。Modbus/Profibus标准协议可选,方便组态连接。
3、模拟信号控制:用户可输入4—20mA或0—20mA标准信号,并可在操作面板上进行模拟量的上、下限设定,实现对电机起、停控制及报警。还可通过软起动器进行数据(压力、温度、流量等)的传输。具有4—20mA或0—20mA标准信号输出功能。
4、强大的抗干扰性:所有外部控制信号均采用光电隔离,并设置了不同的抗噪级别,适应在的工业环境中使用。
5、双参数功能:软起动器同时具备两套不同功率电机控制参数,可控制两台不同功率的电机。
6、多种停车方式可编程软停车、自由停车、制动刹车、软停+制动刹车。
7、电源频率自适应:电源频率50/60Hz自适应功能。
8、动态故障记忆:多可以记录15次故障。
9、完善的保护功能:全程检测电流及负载参数,具有过流、过载、欠载、过热、断相、短路、三相电流不平衡、相序检测、漏电检测等微机保护功能。
10、友好的人机界面:采用LCD液晶显示面板,具有中英文两种显示界面。
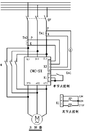
CMC-SX系列软启动器的基本接线示意图

CMC-SX系列软启动器的典型应用接线图

CMC-SX汉显智能型软启动器的适配电机、型号、额定电流、旁路接触型号、电流互感器和一次线规格说明:

软起动器外形及开孔尺寸(单位:mm 以380V为例)

软起动器选型:

订货型号说明:

更多有关 CMC-SX汉显智能型软启动器的作用原理、特点、软起动控制模式等资料可以直接登录 http://www.xichi.cn/Service/downloads/typeid/3.html 进行下载!
西安西驰电气(产品说明书) |
|||||||||||||||||||||
|
|||||||||||||||||||||
|
||||||||||||||