编辑:上海高适泵阀有限公司
日期:2020-04-21 访问:1966
产品概述
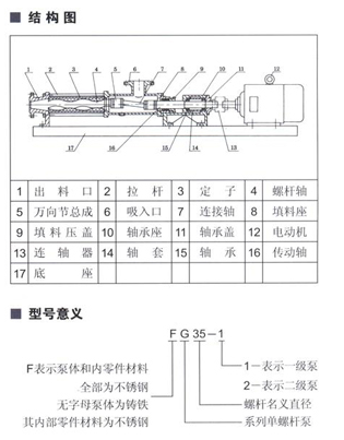
单螺杆是按迥转啮合容积式原理工作的新型泵种,主要工作部件是偏心螺杆(转子)和固定的衬套(定子)。
由于该二部件的特殊几何形状,分别形成单独的密封容腔,介质由轴向均匀推行流动,内部流速低,容积保持不变,压力稳定,因而不会产生涡流和搅动。每级泵的输出压力为0.6MPa, 扬程60m(清水) , 自吸高度一般在6m, 适用于输送介质温度80℃以下(特殊要求可达150℃)。
因定子选用多种弹性材料制成,所以这种泵对高粘度流体的输送和含有硬质悬浮颗粒介质或含有纤维介质的输送,有一般泵种所不能胜任的特点。其流量与转速成正比。
传动可采用联轴器直接传动,或采用调速电机,三角带,变速箱等装置变速。
这种泵另件少,结构紧凑,体积小,维修简便,转子和定子是本泵的易损件,结构简单,便于装拆。



上海高适泵阀有限公司 |
|||||||||||||||||||||
|
|||||||||||||||||||||
|
||||||||||||||